Регистры
Регистром называется последовательное или параллельное соединение триггеров. Регистры обычно строятся на основе D триггеров. При этом для построения регистров могут использоваться как универсальные D триггеры, так и триггеры-защелки. При использовании для построения параллельного регистра триггеров-защелок регистр называется регистр-защелка. Параллельный регистр служит для запоминания многоразрядного двоичного слова. Количество триггеров, входящее в состав параллельного регистра определяет его разрядность. Схема четырёхразрядного параллельного регистра приведена на рисунке 1, а его обозначение на принципиальных схемах на рисунке 2.

Рисунок 1. Схема параллельного регистра.

Рисунок 2. Обозначение параллельного регистра на принципиальных схемах.
При записи информации в параллельный регистр все биты (двоичные разряды) записываются одновременно.
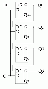
Последовательный регистр (регистр сдвига) обычно служит для преобразования последовательного кода в параллельный и наоборот. Схема регистра, осуществляющего преобразование последовательного кода в параллельный, приведена на рисунке 3, а его изображение на принципиальных схемах - на рисунке 4.

Рисунок 3. Схема последовательного регистра.

Рисунок 4. Обозначение последовательного регистра на принципиальных схемах.
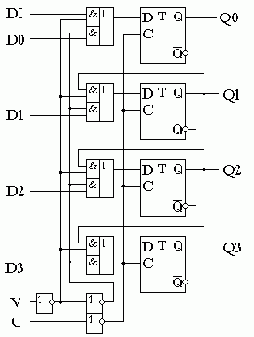
Регистры сдвига выполняют обычно как универсальные последовательно-параллельные микросхемы. Переключение регистра из параллельного режима в последовательный и наоборот осуществляется при помощи мультиплексора. Схема такого регистра приведена на рисунке 5, а его изображение на принципиальных схемах - на рисунке 6.

Рисунок 5. Схема универсального регистра.

Рисунок 6. Обозначение универсального регистра на принципиальных схемах.
[ ] [ ] [ ]