построены по Гарвардской архитектуре.
Микроконтроллеры семейства MCS- 48 построены по Гарвардской архитектуре. Это означает, что память данных и память программ в этих микросхемах разделены и имеют отдельное адресное пространство. В этих микроконтроллерах имеется три адресных пространства: , и . Такое построение памяти позволяет реализовывать максимально надёжные системы.
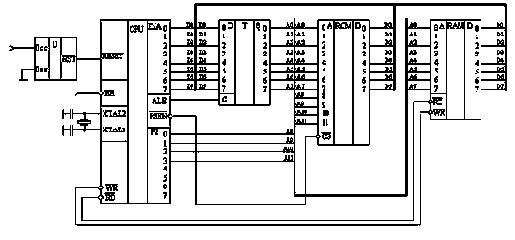
Схема подключения внешних микросхем памяти к микроконтроллерам семейства MCS-48 показана на рисунке 1. Регистр адреса D3 на этой схеме предназначен для запоминания младших 8-ми бит адреса, передаваемых через шину данных/памяти. Старшие четыре бита адреса передаются через шину адреса, совмещенную с портом P2. Во время передачи адреса, микроконтроллер вырабатывает синхроимпульс на ножке ALE. Именно этот импульс позволяет запомнить младший байт адреса в регистре D3.
Для обращения к памяти данных и к памяти программ используются одни и те же шина адреса и шина данных, но разные управляющие сигналы. Для чтения памяти программ вырабатывается сигнал PSEN, а для чтения памяти данных вырабатывается сигнал RD. Для записи информации в память данных вырабатывается сигнал WR. То есть память программ доступна только для чтения, а память данных доступна и для чтения и для записи любой информации, записанной в двоичном коде.

Рисунок 1. Схема подключения схем внешней памяти к микроконтроллерам семейства MCS-48